COVNA Y43H Редукционный клапан давления пара с пилотным управлением
Редукционный клапан давления пара с пилотным управлением COVNA применяется в паропроводе, но разница входного и выходного давления должна составлять ≥0,2 МПа.Редукционные клапаны давления пара используются в коммерческих, промышленных и институциональных приложениях для регулирования давления пара. Используется в таких устройствах, как маслопроводы, испытательные приспособления, автоклавы, паровые столы/утюги, одиночные радиаторы и вулканизаторы.
- Модель: Предохранительный клапан
- Размерный ряд: от 3/4" до 16"
- Диапазон давления: от 1,6 до 6,4 МПа
- Материал: WCB, нержавеющая сталь
Редукционный клапан пара с пилотным управлением COVNA
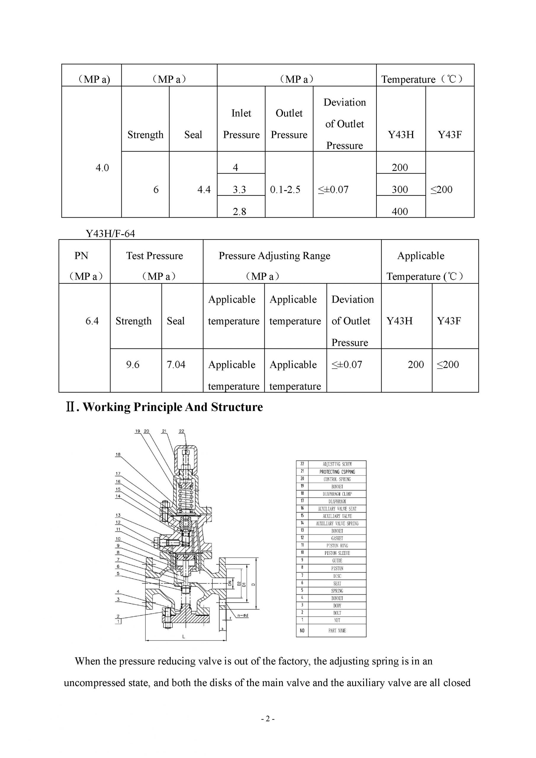
Эта серия клапанов относится к категории редукционных клапанов с пилотным поршнем. Он состоит из главного клапана и вспомогательной части. В состав главного клапана входят: седло клапана, диск главного клапана, поршень, поршневые пружины и другие. В состав пилотной части входят седло клапана, диск клапана, диафрагма, пружина, регулировочные винты и другие.
Клапан дросселирует посредством регулировочной пружины и снижает давление на входе до необходимого давления на выходе. Он использует энергию самой среды, чтобы давление на выходе автоматически соответствовало заданным требованиям для достижения функции сброса давления.
Направление экспорта редукционного клапана давления пара COVNA по всему миру
| США | Великобритания | Кувейт | Бахрейн | Катар |
| Саудовская Аравия | Германия | Оман | Сингапур | Малайзия |
| Франция | Иран | Южная Африка | Турция | Индонезия |
| Бразилия | Индия | Колумбия | Ирак | Чили |
| Аргентина | ОАЭ | Нигерия | Судан | Иордания |
| Эквадор | Нидерланды | Южная Корея | Вьетнам | Таиланд и т. д. |














